Hinweis zum DHL-Versand: Aufgrund von Kapazitätsproblemen bei DHL im Paketzentrum in Bremen kann es bei DHL-Paketen zu Verzögerungen von bis zu zwei Tagen kommen. Haben Sie von uns eine Versandbestätigung bekommen? Dann haben wir i.d.R. das Paket am selben Tag auch an DHL übergeben.
5.045,60 €*
Inhalt:
1 Stück
Artikel in Beschaffung, ca. 28 Tage + Versandzeit
Produktnummer:
310048
Hersteller:
Diverse
Versandart:
Spedition
Drehgelenk, hydraulisch
Drehgelenk, hydraulisch Drehung um 180°, Eigenbremssystem bei Druckverlust, geliefert mit zwei O-Ringen für den Anschluss.
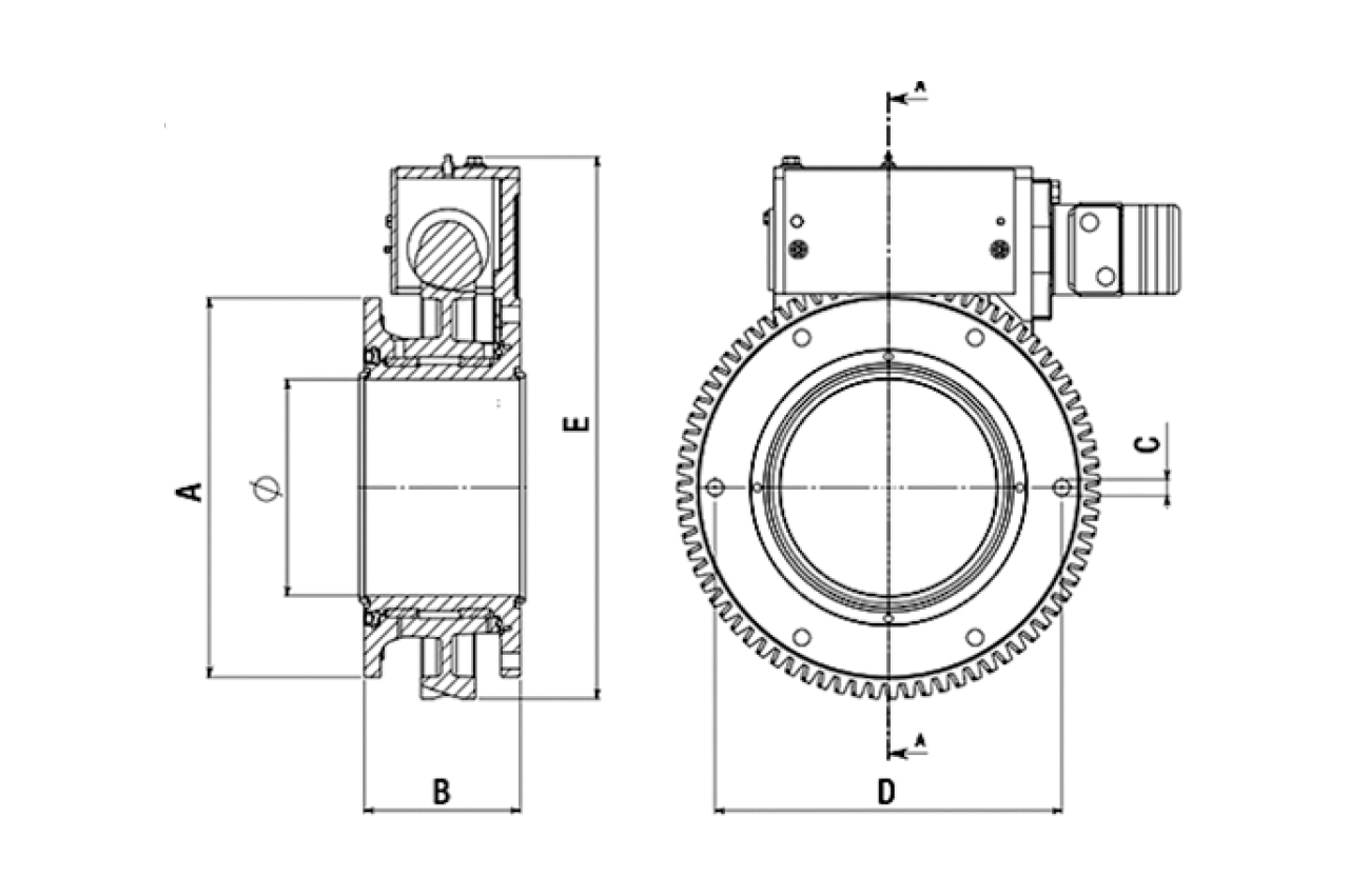
Technische Daten
| Bezeichnung | Größe | A | B | C | D | E | Anzahl Löcher | Gewicht kg |
Betriebsdruck bar |
| REVOBLOCK 07-D200 w/motor |
DN 200 | 350 | 144 | 15 | 320 | 500 | 6 | 58 | 6 |
| Anschluss: | Rundflansch |
|---|---|
| Artikelbezeichnung: | Drehgelenk |
Angaben zum Hersteller und zur Produktsicherheit (GPSR)
Hans Kraeft GmbH & Co.KG
Im Gewerbepark 1
27798 Hude
Deutschland
E-Mail: info@kraeft-hude.de
Telefon: +49 (0)4408 80340