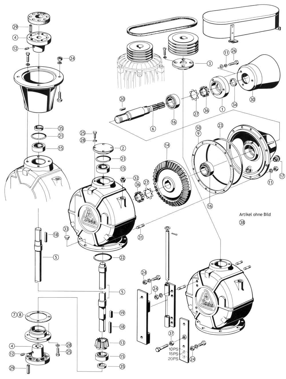
Explosionszeichnung

für Eisele Winkelgetriebe

Fehlende Ersatz- und Verschleißteile auf Anfrage.

Platzhalter
Eisele Winkelgetriebe
Position Artikel Stück Bestell-Nr.  
1 Druckdeckel 1 V61405  
2 Druckdeckel 1 V61469 Auf Anfrage
3 Flansch D133 1 V68931  
4 Kupplungsnabe KPL D140 x D38 mm 1 M63199  
5 Welle D48 x 467 mm 1 V61406  
6 Zapfwelle D52 x 330 mm 1 V61407  
7 Dichtung 109 x 155 x 0,15 mm 1 - 2 30483  
8 Dichtung 109 x 155 x 0,3 mm 1 29750  
9 Dichtung 306 x 345 x 0,3 mm 1 - 2 29287  
10 Dichtung 306 x 345 x 0,5 mm 1 - 2 30001  
11 Federring 12 28826 Auf Anfrage
12 Gewindestift 1 14065 Auf Anfrage
13 Gummidichtung 150 x 150 x 3 mm 1 31096  
14 Gummiring D108 1 30986  
15 Kegelrollenlager 30208 A 2 28989  
16 Kegelrollenlager 30209 2 28990  
17 Ölstandsauge R1/2 Nr. 148 1 20963  
18 Passfeder A10 x 8 x 70 mm 1 13042  
19 Passfeder 12 x 8 x 40 mm 1 28982  
20 Passfeder A14 x 9 x 40 mm 1 29100  
21 Rundschnurring 80 x 3 mm 1 29000  
22 Rundschnurring 108 x 3 mm 1 29001  
23 Rundschnurring 300 x 3 mm 1 30701  
24 Sechskantmutter 12 29523 Auf Anfrage
25 Sechskantschraube 8 30476 Auf Anfrage
26 Sechskantschraube 3 30061 Auf Anfrage
27 Sicherungsblech 45 x 69 x 1,25 mm 2 28992  
28 Sicherungsring Unitec M10 8 28254  
29 Spannstift 16 x 45 mm 4 28897  
30 Schutztopf 1 V77235  
31 Stiftschraube M10 x 30 mm 12 23929  
32 Stopfen R1/2 Nr. 290 1 12720  
33 Verschlussstopfen 4 30026 Auf Anfrage
34 Wellendichtring 35 x 47 x 7 mm 1 29003  
35 Wellendichtring 40 x 52 x 7 mm 1 29004  
36 Wellenmutter M45 x 1,5-6H 2 28991  
37 Sechskantschraube 1 12903 Auf Anfrage
38 Sechskantschraube (ohne Abb.) 1 30480 Auf Anfrage